Бесплатно по России:

8-800-200-98-40

Телефон в Новосибирске:

+7 (383) 304-72-12

Электронная почта:

zakaz@sibprivod.ru

Электродвигатели серии МКЕ (для талей МРМ) и КВЕ (для VAT)

Электродвигатели для главного подъема талей МРМ и VAT: серии МКЕ и КВЕ (оригинал, Болгария)
От 0,00 ₽
Оставить заявку

Специализированные двигатели для редких талей МРМ и VAT

Если вы ищете двигатель для тали МРМ или VAT, вы уже знаете, что найти оригинальную замену непросто. Эти тали выпускались ограниченными партиями, и стандартные моторы от серий Т или МТ им не подходят — отличаются посадочные размеры, длина вала и параметры фланца.

Мы собрали в одной карточке две редкие серии двигателей болгарского завода «Балканско Эхо»:

  • Серия МКЕ — для главного подъема канатных электротельферов серии МРМ.

  • Серия КВЕ — для главного подъема канатных электротельферов типа VAT.

Это оригинальные заводские двигатели, которые полностью соответствуют геометрии и характеристикам вашего оборудования.

Почему важно ставить оригинал?

  1. Точная геометрия. Фланец, вал и шпоночный паз выполнены по чертежам завода. Двигатель встает на место старого без доработок и подгонок.

  2. Реальные параметры. Мощность, обороты и пусковой момент соответствуют паспортным данным тали.

  3. Заводская гарантия. Ни один кустарно перемотанный мотор.

Серия МКЕ (для талей МРМ)

Двигатели МКЕ разработаны специально для монтажных и механизированных талей серии МРМ. Они отличаются компактностью и высоким пусковым моментом.

Технические характеристики МКЕ:

 
Мощность, кВтТип двигателяЧастота вращ., мин⁻¹Режим ПВ, % / вкл/часТок при 380В, АПуск. момент, НмТорм. момент, НмВес, кг
Односкоростные (6-полюсные, ~900 об/мин)              
0.75 МКЕ 1605-6 910 40/240 3.3 16.4 10.8 34
1.5 МКЕ 1608-6 910 40/240 5.8 25 23.5 40
3.0 МКЕ 2008-6 920 40/240 11.0 60.5 49 67
4.5 МКЕ 2011-6 920 40/240 12.3 78 78 76
8.0 МКЕ 2412-6 920 40/240 24.5 132 105 111
16.0 МКЕ 3517-6 930 40/240 55 330 340 235
Односкоростные (4-полюсные, ~1400 об/мин)              
1.1 МКЕ 1605-4 1360 40/240 3.6 15 18 34
2.3 МКЕ 1608-4 1300 40/240 6.0 26 28 40
4.5 МКЕ 2008-4 1400 40/240 12.0 60 70 67
5.5 МКЕ 2011-4 1430 40/240 12.0 80 70 76
7.5 МКЕ 2012-4 1380 40/240 17.0 105 100 84
12.0 МКЕ 2714-4 1430 40/240 28.0 180 130 151
22.0 МКЕ 3517P4 1400 40/240 51 380 290 233
Двухскоростные (микро/основная)              
0.33/1.5 МКЕ 2110-24/6 200/930 25/300 3.7/5.0 29 24 58
0.7/3.0 МКЕ 2612-24/6 210/930 25/300 6.0/7.5 52 48 106
1.0/4.8 МКЕ 2714-24/6 200/940 25/300 11.0/12.0 100 90 140
1.7/8.0 МКЕ 3317-24/6 200/920 25/300 15.0/18.0 140 125 213
4.0/16.0 МКЕ 3518-24/6 210/950 10/240 65.0/36.0 360/300 290 250
0.33/2.2 МКЕ 2110-24/4 200/1400 25/300 3.7/6.2 29 30 58
0.7/4.5 МКЕ 2612-24/4 210/1400 25/300 6.0/9.5 52 55 106
1.0/7.5 МКЕ 2714-24/4 200/1400 25/300 11.0/15.0 100 90 140
1.7/12.5 МКЕ 3317-24/4 200/1430 25/300 15.0/23.0 140 135 213
4.0/24.0 МКЕ 3518-24/4 210/1400 10/240 65.0/48.0 360/380 290 250

Серия КВЕ (для талей VAT)

Двигатели КВЕ разработаны для талей типа VAT — это оборудование, которое часто встречается на старых европейских производствах и требует точной замены.

Технические характеристики КВЕ:

 
Мощность, кВтТип двигателяЧастота вращ., мин⁻¹Режим ПВ, % / вкл/часТок при 380В, АПуск. момент, НмТорм. момент, НмВес, кг
Односкоростные (6-полюсные, ~900 об/мин)              
0.75 КВЕ 0501-6 910 40/240 3.3 16.4 10.8 33
1.5 КВЕ 1001-6 910 40/240 5.8 25.0 23.5 39
3.0 КВЕ 2002-6 920 40/240 11.0 60.5 49 54
4.5 КВЕ 3002-6 920 40/240 12.3 78.0 78 64
8.0 КВЕ 4002-6 920 40/240 24.5 132 105 105
16.0 КВЕ 5002-6 930 40/240 55 330 340 230
22.0 КВЕ 6002P6 930 40/240 42.0 360 340 250
Односкоростные (4-полюсные, ~1400 об/мин)              
1.1 КВЕ 0501-4 1360 40/240 3.6 15 18 30
2.3 КВЕ 1001-4 1300 40/240 6.0 26 28 39
4.5 КВЕ 2001-4 1400 40/240 12.0 60 70 65
7.5 КВЕ 3001-4 1380 40/240 17.0 105 100 82
12.0 КВЕ 4001-4 1430 40/240 28.0 180 130 144
22.0 КВЕ 5001-4 1400 40/240 51 510 300 233
25.0 КВЕ 6001-4 1400 40/240 51 510 330 233
30.0 КВЕ 6003-4 1400 40/240 55 400 360 250
Двухскоростные (микро/основная)              
0.33/1.5 КВЕ 1003-24/6 200/930 25/300 3.7/5.0 29 24 57
0.7/3.0 КВЕ 2003-24/6 210/930 25/300 6.0/7.5 52 48 101
1.0/4.8 КВЕ 3003-24/6 200/940 25/300 11.0/12.0 100 90 122
1.7/8.0 КВЕ 4003-24/6 200/920 25/300 15.0/18.0 140 125 198
4.0/16.0 КВЕ 5003-24/6 210/950 10/240 76.0/39.0 360/300 290 253
3.0/13.0 КВЕ 6001-24/6 220/960 10/240 40.0/30.0 215 180 230
4.0/16.0 КВЕ 6003-24/6 210/950 10/240 70.0/36.0 360/300 290 252
0.33/2.2 КВЕ 1003-24/4 200/1400 25/300 3.7/6.2 29 30 57
0.7/4.5 КВЕ 2003-24/4 210/1400 25/300 6.0/9.5 52 55 102
1.0/7.5 КВЕ 3003-24/4 200/1400 25/300 11.0/15.0 100 90 122
1.7/12.5 КВЕ 4003-24/4 200/1430 25/300 15.0/23.0 140 135 198
4.0/24.0 КВЕ 5003-24/4 210/1400 10/240 70.0/48.0 360/380 290 253
4.0/24.0 КВЕ 6003-24/4 210/1400 10/240 70.0/48.0 360/380 290 252

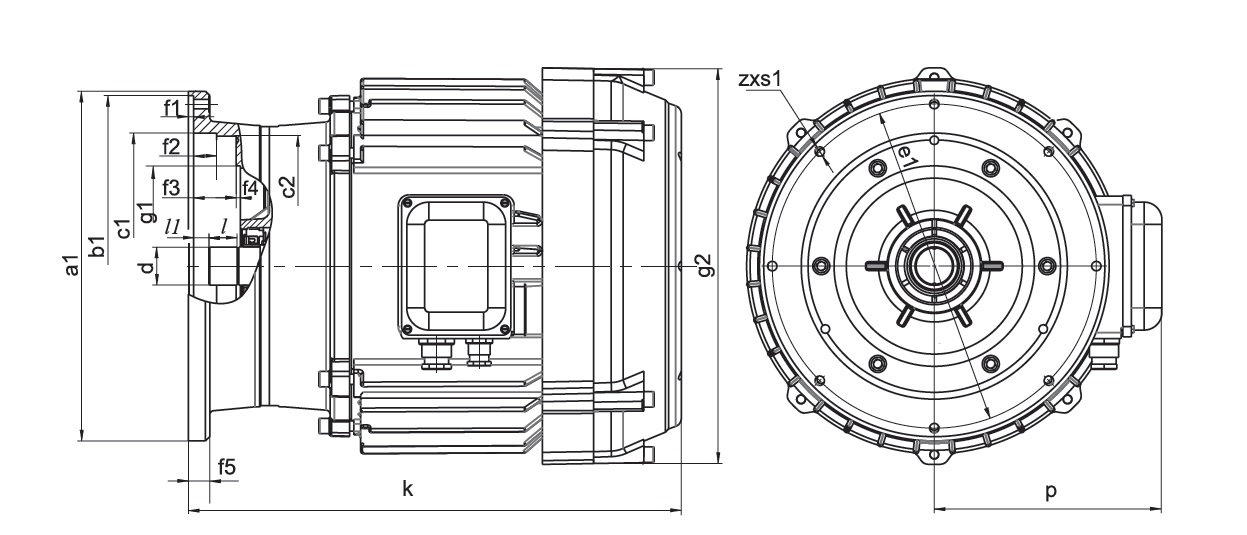
Габаритные размеры

Таблица размеров для двигателей МКЕ (основные типы):

 
Тип двигателяa₁b₁e₁c₁I₁f₁f₂f₃g₁g₂kpz x s₁d
МКЕ 1605 225 215 203 85 101 15 19 0 23 0 32 8 2 x M8 20
МКЕ 1608 170 275 394 174 107 88 17 56 9 18 64 25 2 x M8 25
МКЕ 2008 302 294 283 246 122 12 21 22 75 41 71 67 2 x M8 25
МКЕ 2612 302 294 283 246 122 12 21 22 75 41 71 67 2 x M8 25
МКЕ 2714 370 359 346 300 125 12 20 24 23 75 52 0 4 x M16 38
МКЕ 3517 410 400 384 330 226 18 62 75 465 560 8 11 4 x M20 60

Таблица размеров для двигателей КВЕ (основные типы):

 
Тип двигателяa₁b₁e₁I₁f₁f₂f₄f₅g₁g₂mnkpz x s₁d
КВЕ 0501 220 120 349 37 16.5 12 33 160 15 0 4 9 15 4 x M8 25
КВЕ 1001 220 180 203 67 12 69 32 160 35 54 4 9 15 4 x M8 25
КВЕ 2001 282 230 254 87 12 94 27 172 41 71 7 11 45 2.5 4 x M12 40
КВЕ 3001 282 230 254 98.5 12 94 27 172 41 71 7 11 45 2.5 4 x M12 40
КВЕ 4001 330 137 376 165 5 108 52 190 47 71 9 0 8 13 4 x M16 50
КВЕ 5001 364 154 440 200 16 44 51 200 57 62 11 15 30 60 4 x M20 60

*(На этом месте вы вставляете фото чертежей из каталога — страницы 9 и 11 PDF-файла)*


Как подобрать нужную модель?

Способ 1. По шильдику (самый надежный)
Найдите на старом двигателе металлическую табличку. Там указан тип (например, МКЕ 2714-4 или КВЕ 4001-4). Просто найдите эту строчку в таблице выше.

Способ 2. По размерам
Если шильдик утерян:

  1. Замерьте диаметр вала (d).

  2. Замерьте длину вала (I₁).

  3. Замерьте расстояние между крепежными отверстиями фланца (a₁, b₁).

  4. Сравните с нашими таблицами — мы поможем определить тип.

Способ 3. По параметрам тали
Пришлите нам модель вашей тали (МРМ-521, VAT-510 и т.д.). Мы по заводским каталогам определим, какой двигатель там стоял.


Почему заказывают у нас?

✅ Оригинальность. Прямые поставки с завода «Балканско Эхо», Болгария.
✅ Гарантия. На все двигатели — официальная гарантия.
✅ Редкие позиции. У нас есть даже те модели, которые сняты с производства.
✅ Подбор. Поможем идентифицировать двигатель по фото или размерам.


Остались вопросы? Нужен точный подбор?

📞 Звоните: 8-800-200-98-40
✉️ Пишите: zakaz@sibprivod.ru
📱 Или нажмите кнопку «Оставить заявку» — мы перезвоним.